



Abstract:With the emergence of a spectrum of high-end mobile devices, many applications that formerly required desktop-level computation capability are being transferred to these devices. However, executing the inference of Deep Neural Networks (DNNs) is still challenging considering high computation and storage demands, specifically, if real-time performance with high accuracy is needed. Weight pruning of DNNs is proposed, but existing schemes represent two extremes in the design space: non-structured pruning is fine-grained, accurate, but not hardware friendly; structured pruning is coarse-grained, hardware-efficient, but with higher accuracy loss. In this paper, we introduce a new dimension, fine-grained pruning patterns inside the coarse-grained structures, revealing a previously unknown point in design space. With the higher accuracy enabled by fine-grained pruning patterns, the unique insight is to use the compiler to re-gain and guarantee high hardware efficiency. In other words, our method achieves the best of both worlds, and is desirable across theory/algorithm, compiler, and hardware levels. The proposed PatDNN is an end-to-end framework to efficiently execute DNN on mobile devices with the help of a novel model compression technique (pattern-based pruning based on extended ADMM solution framework) and a set of thorough architecture-aware compiler- and code generation-based optimizations (filter kernel reordering, compressed weight storage, register load redundancy elimination, and parameter auto-tuning). Evaluation results demonstrate that PatDNN outperforms three state-of-the-art end-to-end DNN frameworks, TensorFlow Lite, TVM, and Alibaba Mobile Neural Network with speedup up to 44.5x, 11.4x, and 7.1x, respectively, with no accuracy compromise. Real-time inference of representative large-scale DNNs (e.g., VGG-16, ResNet-50) can be achieved using mobile devices.




Abstract:Distributed deep learning training usually adopts All-Reduce as the synchronization mechanism for data parallel algorithms due to its high performance in homogeneous environment. However, its performance is bounded by the slowest worker among all workers, and is significantly slower in heterogeneous situations. AD-PSGD, a newly proposed synchronization method which provides numerically fast convergence and heterogeneity tolerance, suffers from deadlock issues and high synchronization overhead. Is it possible to get the best of both worlds - designing a distributed training method that has both high performance as All-Reduce in homogeneous environment and good heterogeneity tolerance as AD-PSGD? In this paper, we propose Ripples, a high-performance heterogeneity-aware asynchronous decentralized training approach. We achieve the above goal with intensive synchronization optimization, emphasizing the interplay between algorithm and system implementation. To reduce synchronization cost, we propose a novel communication primitive Partial All-Reduce that allows a large group of workers to synchronize quickly. To reduce synchronization conflict, we propose static group scheduling in homogeneous environment and simple techniques (Group Buffer and Group Division) to avoid conflicts with slightly reduced randomness. Our experiments show that in homogeneous environment, Ripples is 1.1 times faster than the state-of-the-art implementation of All-Reduce, 5.1 times faster than Parameter Server and 4.3 times faster than AD-PSGD. In a heterogeneous setting, Ripples shows 2 times speedup over All-Reduce, and still obtains 3 times speedup over the Parameter Server baseline.




Abstract:The Adiabatic Quantum-Flux-Parametron (AQFP) superconducting technology has been recently developed, which achieves the highest energy efficiency among superconducting logic families, potentially huge gain compared with state-of-the-art CMOS. In 2016, the successful fabrication and testing of AQFP-based circuits with the scale of 83,000 JJs have demonstrated the scalability and potential of implementing large-scale systems using AQFP. As a result, it will be promising for AQFP in high-performance computing and deep space applications, with Deep Neural Network (DNN) inference acceleration as an important example. Besides ultra-high energy efficiency, AQFP exhibits two unique characteristics: the deep pipelining nature since each AQFP logic gate is connected with an AC clock signal, which increases the difficulty to avoid RAW hazards; the second is the unique opportunity of true random number generation (RNG) using a single AQFP buffer, far more efficient than RNG in CMOS. We point out that these two characteristics make AQFP especially compatible with the \emph{stochastic computing} (SC) technique, which uses a time-independent bit sequence for value representation, and is compatible with the deep pipelining nature. Further, the application of SC has been investigated in DNNs in prior work, and the suitability has been illustrated as SC is more compatible with approximate computations. This work is the first to develop an SC-based DNN acceleration framework using AQFP technology.




Abstract:Large deep neural network (DNN) models pose the key challenge to energy efficiency due to the significantly higher energy consumption of off-chip DRAM accesses than arithmetic or SRAM operations. It motivates the intensive research on model compression with two main approaches. Weight pruning leverages the redundancy in the number of weights and can be performed in a non-structured, which has higher flexibility and pruning rate but incurs index accesses due to irregular weights, or structured manner, which preserves the full matrix structure with lower pruning rate. Weight quantization leverages the redundancy in the number of bits in weights. Compared to pruning, quantization is much more hardware-friendly, and has become a "must-do" step for FPGA and ASIC implementations. This paper provides a definitive answer to the question for the first time. First, we build ADMM-NN-S by extending and enhancing ADMM-NN, a recently proposed joint weight pruning and quantization framework. Second, we develop a methodology for fair and fundamental comparison of non-structured and structured pruning in terms of both storage and computation efficiency. Our results show that ADMM-NN-S consistently outperforms the prior art: (i) it achieves 348x, 36x, and 8x overall weight pruning on LeNet-5, AlexNet, and ResNet-50, respectively, with (almost) zero accuracy loss; (ii) we demonstrate the first fully binarized (for all layers) DNNs can be lossless in accuracy in many cases. These results provide a strong baseline and credibility of our study. Based on the proposed comparison framework, with the same accuracy and quantization, the results show that non-structrued pruning is not competitive in terms of both storage and computation efficiency. Thus, we conclude that non-structured pruning is considered harmful. We urge the community not to continue the DNN inference acceleration for non-structured sparsity.




Abstract:Recent work has shown that decentralized algorithms can deliver superior performance over centralized ones in the context of machine learning. The two approaches, with the main difference residing in their distinct communication patterns, are both susceptible to performance degradation in heterogeneous environments. Although vigorous efforts have been devoted to supporting centralized algorithms against heterogeneity, little has been explored in decentralized algorithms regarding this problem. This paper proposes Hop, the first heterogeneity-aware decentralized training protocol. Based on a unique characteristic of decentralized training that we have identified, the iteration gap, we propose a queue-based synchronization mechanism that can efficiently implement backup workers and bounded staleness in the decentralized setting. To cope with deterministic slowdown, we propose skipping iterations so that the effect of slower workers is further mitigated. We build a prototype implementation of Hop on TensorFlow. The experiment results on CNN and SVM show significant speedup over standard decentralized training in heterogeneous settings.




Abstract:With the rise of artificial intelligence in recent years, Deep Neural Networks (DNNs) have been widely used in many domains. To achieve high performance and energy efficiency, hardware acceleration (especially inference) of DNNs is intensively studied both in academia and industry. However, we still face two challenges: large DNN models and datasets, which incur frequent off-chip memory accesses; and the training of DNNs, which is not well-explored in recent accelerator designs. To truly provide high throughput and energy efficient acceleration for the training of deep and large models, we inevitably need to use multiple accelerators to explore the coarse-grain parallelism, compared to the fine-grain parallelism inside a layer considered in most of the existing architectures. It poses the key research question to seek the best organization of computation and dataflow among accelerators. In this paper, we propose a solution HyPar to determine layer-wise parallelism for deep neural network training with an array of DNN accelerators. HyPar partitions the feature map tensors (input and output), the kernel tensors, the gradient tensors, and the error tensors for the DNN accelerators. A partition constitutes the choice of parallelism for weighted layers. The optimization target is to search a partition that minimizes the total communication during training a complete DNN. To solve this problem, we propose a communication model to explain the source and amount of communications. Then, we use a hierarchical layer-wise dynamic programming method to search for the partition for each layer.




Abstract:To facilitate efficient embedded and hardware implementations of deep neural networks (DNNs), two important categories of DNN model compression techniques: weight pruning and weight quantization are investigated. The former leverages the redundancy in the number of weights, whereas the latter leverages the redundancy in bit representation of weights. However, there lacks a systematic framework of joint weight pruning and quantization of DNNs, thereby limiting the available model compression ratio. Moreover, the computation reduction, energy efficiency improvement, and hardware performance overhead need to be accounted for besides simply model size reduction. To address these limitations, we present ADMM-NN, the first algorithm-hardware co-optimization framework of DNNs using Alternating Direction Method of Multipliers (ADMM), a powerful technique to deal with non-convex optimization problems with possibly combinatorial constraints. The first part of ADMM-NN is a systematic, joint framework of DNN weight pruning and quantization using ADMM. It can be understood as a smart regularization technique with regularization target dynamically updated in each ADMM iteration, thereby resulting in higher performance in model compression than prior work. The second part is hardware-aware DNN optimizations to facilitate hardware-level implementations. Without accuracy loss, we can achieve 85$\times$ and 24$\times$ pruning on LeNet-5 and AlexNet models, respectively, significantly higher than prior work. The improvement becomes more significant when focusing on computation reductions. Combining weight pruning and quantization, we achieve 1,910$\times$ and 231$\times$ reductions in overall model size on these two benchmarks, when focusing on data storage. Highly promising results are also observed on other representative DNNs such as VGGNet and ResNet-50.




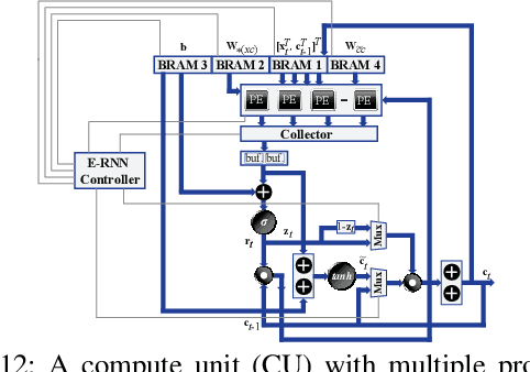
Abstract:Recurrent Neural Networks (RNNs) are becoming increasingly important for time series-related applications which require efficient and real-time implementations. The two major types are Long Short-Term Memory (LSTM) and Gated Recurrent Unit (GRU) networks. It is a challenging task to have real-time, efficient, and accurate hardware RNN implementations because of the high sensitivity to imprecision accumulation and the requirement of special activation function implementations. A key limitation of the prior works is the lack of a systematic design optimization framework of RNN model and hardware implementations, especially when the block size (or compression ratio) should be jointly optimized with RNN type, layer size, etc. In this paper, we adopt the block-circulant matrix-based framework, and present the Efficient RNN (E-RNN) framework for FPGA implementations of the Automatic Speech Recognition (ASR) application. The overall goal is to improve performance/energy efficiency under accuracy requirement. We use the alternating direction method of multipliers (ADMM) technique for more accurate block-circulant training, and present two design explorations providing guidance on block size and reducing RNN training trials. Based on the two observations, we decompose E-RNN in two phases: Phase I on determining RNN model to reduce computation and storage subject to accuracy requirement, and Phase II on hardware implementations given RNN model, including processing element design/optimization, quantization, activation implementation, etc. Experimental results on actual FPGA deployments show that E-RNN achieves a maximum energy efficiency improvement of 37.4$\times$ compared with ESE, and more than 2$\times$ compared with C-LSTM, under the same accuracy.




Abstract:Hardware accelerations of deep learning systems have been extensively investigated in industry and academia. The aim of this paper is to achieve ultra-high energy efficiency and performance for hardware implementations of deep neural networks (DNNs). An algorithm-hardware co-optimization framework is developed, which is applicable to different DNN types, sizes, and application scenarios. The algorithm part adopts the general block-circulant matrices to achieve a fine-grained tradeoff between accuracy and compression ratio. It applies to both fully-connected and convolutional layers and contains a mathematically rigorous proof of the effectiveness of the method. The proposed algorithm reduces computational complexity per layer from O($n^2$) to O($n\log n$) and storage complexity from O($n^2$) to O($n$), both for training and inference. The hardware part consists of highly efficient Field Programmable Gate Array (FPGA)-based implementations using effective reconfiguration, batch processing, deep pipelining, resource re-using, and hierarchical control. Experimental results demonstrate that the proposed framework achieves at least 152X speedup and 71X energy efficiency gain compared with IBM TrueNorth processor under the same test accuracy. It achieves at least 31X energy efficiency gain compared with the reference FPGA-based work.




Abstract:Bayesian Neural Networks (BNNs) have been proposed to address the problem of model uncertainty in training and inference. By introducing weights associated with conditioned probability distributions, BNNs are capable of resolving the overfitting issue commonly seen in conventional neural networks and allow for small-data training, through the variational inference process. Frequent usage of Gaussian random variables in this process requires a properly optimized Gaussian Random Number Generator (GRNG). The high hardware cost of conventional GRNG makes the hardware implementation of BNNs challenging. In this paper, we propose VIBNN, an FPGA-based hardware accelerator design for variational inference on BNNs. We explore the design space for massive amount of Gaussian variable sampling tasks in BNNs. Specifically, we introduce two high performance Gaussian (pseudo) random number generators: the RAM-based Linear Feedback Gaussian Random Number Generator (RLF-GRNG), which is inspired by the properties of binomial distribution and linear feedback logics; and the Bayesian Neural Network-oriented Wallace Gaussian Random Number Generator. To achieve high scalability and efficient memory access, we propose a deep pipelined accelerator architecture with fast execution and good hardware utilization. Experimental results demonstrate that the proposed VIBNN implementations on an FPGA can achieve throughput of 321,543.4 Images/s and energy efficiency upto 52,694.8 Images/J while maintaining similar accuracy as its software counterpart.