



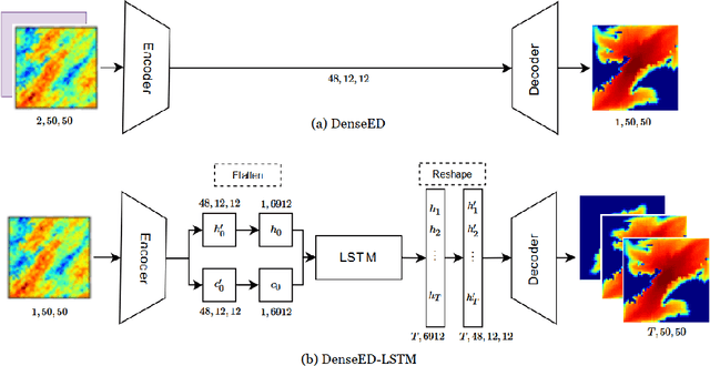
Abstract:Is a deep learning model capable of understanding systems governed by certain first principle laws by only observing the system's output? Can deep learning learn the underlying physics and honor the physics when making predictions? The answers are both positive. In an effort to simulate two-dimensional subsurface fluid dynamics in porous media, we found that an accurate deep-learning-based proxy model can be taught efficiently by a computationally expensive finite-volume-based simulator. We pose the problem as an image-to-image regression, running the simulator with different input parameters to furnish a synthetic training dataset upon which we fit the deep learning models. Since the data is spatiotemporal, we compare the performance of two alternative treatments of time; a convolutional LSTM versus an autoencoder network that treats time as a direct input. Adversarial methods are adopted to address the sharp spatial gradient in the fluid dynamic problems. Compared to traditional simulation, the proposed deep learning approach enables much faster forward computation, which allows us to explore more scenarios with a much larger parameter space given the same time. It is shown that the improved forward computation efficiency is particularly valuable in solving inversion problems, where the physics model has unknown parameters to be determined by history matching. By computing the pixel-level attention of the trained model, we quantify the sensitivity of the deep learning model to key physical parameters and hence demonstrate that the inversion problems can be solved with great acceleration. We assess the efficacy of the machine learning surrogate in terms of its training speed and accuracy. The network can be trained within minutes using limited training data and achieve accuracy that scales desirably with the amount of training data supplied.




Abstract:Alzheimer's Disease (AD) ravages the cognitive ability of more than 5 million Americans and creates an enormous strain on the health care system. This paper proposes a machine learning predictive model for AD development without medical imaging and with fewer clinical visits and tests, in hopes of earlier and cheaper diagnoses. That earlier diagnoses could be critical in the effectiveness of any drug or medical treatment to cure this disease. Our model is trained and validated using demographic, biomarker and cognitive test data from two prominent research studies: Alzheimer's Disease Neuroimaging Initiative (ADNI) and Australian Imaging, Biomarker Lifestyle Flagship Study of Aging (AIBL). We systematically explore different machine learning models, pre-processing methods and feature selection techniques. The most performant model demonstrates greater than 90% accuracy and recall in predicting AD, and the results generalize across sub-studies of ADNI and to the independent AIBL study. We also demonstrate that these results are robust to reducing the number of clinical visits or tests per visit. Using a metaclassification algorithm and longitudinal data analysis we are able to produce a "lean" diagnostic protocol with only 3 tests and 4 clinical visits that can predict Alzheimer's development with 87% accuracy and 79% recall. This novel work can be adapted into a practical early diagnostic tool for predicting the development of Alzheimer's that maximizes accuracy while minimizing the number of necessary diagnostic tests and clinical visits.




Abstract:Representing the reservoir as a network of discrete compartments with neighbor and non-neighbor connections is a fast, yet accurate method for analyzing oil and gas reservoirs. Automatic and rapid detection of coarse-scale compartments with distinct static and dynamic properties is an integral part of such high-level reservoir analysis. In this work, we present a hybrid framework specific to reservoir analysis for an automatic detection of clusters in space using spatial and temporal field data, coupled with a physics-based multiscale modeling approach. In this work a novel hybrid approach is presented in which we couple a physics-based non-local modeling framework with data-driven clustering techniques to provide a fast and accurate multiscale modeling of compartmentalized reservoirs. This research also adds to the literature by presenting a comprehensive work on spatio-temporal clustering for reservoir studies applications that well considers the clustering complexities, the intrinsic sparse and noisy nature of the data, and the interpretability of the outcome. Keywords: Artificial Intelligence; Machine Learning; Spatio-Temporal Clustering; Physics-Based Data-Driven Formulation; Multiscale Modeling