



Abstract:Growing evidence suggests that phase-locked deep brain stimulation (DBS) can effectively regulate abnormal brain connectivity in neurological and psychiatric disorders. This letter therefore presents a low-power SoC with both neural connectivity extraction and phase-locked DBS capabilities. A 16-channel low-noise analog front-end (AFE) records local field potentials (LFPs) from multiple brain regions with precise gain matching. A novel low-complexity phase estimator and neural connectivity processor subsequently enable energy-efficient, yet accurate measurement of the instantaneous phase and cross-regional synchrony measures. Through flexible combination of neural biomarkers such as phase synchrony and spectral energy, a four-channel charge-balanced neurostimulator is triggered to treat various pathological brain conditions. Fabricated in 65nm CMOS, the SoC occupies a silicon area of 2.24mm2 and consumes 60uW, achieving over 60% power saving in neural connectivity extraction compared to the state-of-the-art. Extensive in-vivo measurements demonstrate multi-channel LFP recording, real-time extraction of phase and neural connectivity measures, and phase-locked stimulation in rats.




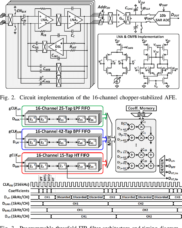
Abstract:Closed-loop neural interfaces with on-chip machine learning can detect and suppress disease symptoms in neurological disorders or restore lost functions in paralyzed patients. While high-density neural recording can provide rich neural activity information for accurate disease-state detection, existing systems have low channel count and poor scalability, which could limit their therapeutic efficacy. This work presents a highly scalable and versatile closed-loop neural interface SoC that can overcome these limitations. A 256-channel time-division multiplexed (TDM) front-end with a two-step fast-settling mixed-signal DC servo loop (DSL) is proposed to record high-spatial-resolution neural activity and perform channel-selective brain-state inference. A tree-structured neural network (NeuralTree) classification processor extracts a rich set of neural biomarkers in a patient- and disease-specific manner. Trained with an energy-aware learning algorithm, the NeuralTree classifier detects the symptoms of underlying disorders (e.g., epilepsy and movement disorders) at an optimal energy-accuracy trade-off. A 16-channel high-voltage (HV) compliant neurostimulator closes the therapeutic loop by delivering charge-balanced biphasic current pulses to the brain. The proposed SoC was fabricated in 65nm CMOS and achieved a 0.227uJ/class energy efficiency in a compact area of 0.014mm^2/channel. The SoC was extensively verified on human electroencephalography (EEG) and intracranial EEG (iEEG) epilepsy datasets, obtaining 95.6%/94% sensitivity and 96.8%/96.9% specificity, respectively. In-vivo neural recordings using soft uECoG arrays and multi-domain biomarker extraction were further performed on a rat model of epilepsy. In addition, for the first time in literature, on-chip classification of rest-state tremor in Parkinson's disease from human local field potentials (LFPs) was demonstrated.