Infinera, London, United Kingdom


Abstract:For the first time, multi-task learning is proposed to improve the flexibility of NN-based equalizers in coherent systems. A "single" NN-based equalizer improves Q-factor by up to 4 dB compared to CDC, without re-training, even with variations in launch power, symbol rate, or transmission distance.


Abstract:To reduce the complexity of the hardware implementation of neural network-based optical channel equalizers, we demonstrate that the performance of the biLSTM equalizer with approximated activation functions is close to that of the original model.




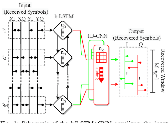
Abstract:In this work, we demonstrate the offline FPGA realization of both recurrent and feedforward neural network (NN)-based equalizers for nonlinearity compensation in coherent optical transmission systems. First, we present a realization pipeline showing the conversion of the models from Python libraries to the FPGA chip synthesis and implementation. Then, we review the main alternatives for the hardware implementation of nonlinear activation functions. The main results are divided into three parts: a performance comparison, an analysis of how activation functions are implemented, and a report on the complexity of the hardware. The performance in Q-factor is presented for the cases of bidirectional long-short-term memory coupled with convolutional NN (biLSTM + CNN) equalizer, CNN equalizer, and standard 1-StpS digital back-propagation (DBP) for the simulation and experiment propagation of a single channel dual-polarization (SC-DP) 16QAM at 34 GBd along 17x70km of LEAF. The biLSTM+CNN equalizer provides a similar result to DBP and a 1.7 dB Q-factor gain compared with the chromatic dispersion compensation baseline in the experimental dataset. After that, we assess the Q-factor and the impact of hardware utilization when approximating the activation functions of NN using Taylor series, piecewise linear, and look-up table (LUT) approximations. We also show how to mitigate the approximation errors with extra training and provide some insights into possible gradient problems in the LUT approximation. Finally, to evaluate the complexity of hardware implementation to achieve 400G throughput, fixed-point NN-based equalizers with approximated activation functions are developed and implemented in an FPGA.


Abstract:To circumvent the non-parallelizability of recurrent neural network-based equalizers, we propose knowledge distillation to recast the RNN into a parallelizable feedforward structure. The latter shows 38\% latency decrease, while impacting the Q-factor by only 0.5dB.



Abstract:A convolutional neural network is proposed to mitigate fiber transmission effects, achieving a five-fold reduction in trainable parameters compared to alternative equalizers, and 3.5 dB improvement in MSE compared to DBP with comparable complexity.




Abstract:In this paper, a new methodology is proposed that allows for the low-complexity development of neural network (NN) based equalizers for the mitigation of impairments in high-speed coherent optical transmission systems. In this work, we provide a comprehensive description and comparison of various deep model compression approaches that have been applied to feed-forward and recurrent NN designs. Additionally, we evaluate the influence these strategies have on the performance of each NN equalizer. Quantization, weight clustering, pruning, and other cutting-edge strategies for model compression are taken into consideration. In this work, we propose and evaluate a Bayesian optimization-assisted compression, in which the hyperparameters of the compression are chosen to simultaneously reduce complexity and improve performance. In conclusion, the trade-off between the complexity of each compression approach and its performance is evaluated by utilizing both simulated and experimental data in order to complete the analysis. By utilizing optimal compression approaches, we show that it is possible to design an NN-based equalizer that is simpler to implement and has better performance than the conventional digital back-propagation (DBP) equalizer with only one step per span. This is accomplished by reducing the number of multipliers used in the NN equalizer after applying the weighted clustering and pruning algorithms. Furthermore, we demonstrate that an equalizer based on NN can also achieve superior performance while still maintaining the same degree of complexity as the full electronic chromatic dispersion compensation block. We conclude our analysis by highlighting open questions and existing challenges, as well as possible future research directions.




Abstract:In this paper, we provide a systematic approach for assessing and comparing the computational complexity of neural network layers in digital signal processing. We provide and link four software-to-hardware complexity measures, defining how the different complexity metrics relate to the layers' hyper-parameters. This paper explains how to compute these four metrics for feed-forward and recurrent layers, and defines in which case we ought to use a particular metric depending on whether we characterize a more soft- or hardware-oriented application. One of the four metrics, called `the number of additions and bit shifts (NABS)', is newly introduced for heterogeneous quantization. NABS characterizes the impact of not only the bitwidth used in the operation but also the type of quantization used in the arithmetical operations. We intend this work to serve as a baseline for the different levels (purposes) of complexity estimation related to the neural networks' application in real-time digital signal processing, aiming at unifying the computational complexity estimation.


Abstract:For the first time, recurrent and feedforward neural network-based equalizers for nonlinearity compensation are implemented in an FPGA, with a level of complexity comparable to that of a dispersion equalizer. We demonstrate that the NN-based equalizers can outperform a 1 step-per-span DBP.



Abstract:A neural network is quantized for the mitigation of nonlinear and components distortions in a 16-QAM 9x50km dual-polarization fiber transmission experiment. Post-training additive power-of-two quantization at 6 bits incurs a negligible Q-factor penalty. At 5 bits, the model size is reduced by 85%, with 0.8 dB penalty.




Abstract:Digital back-propagation (DBP) and learned DBP (LDBP) are proposed for nonlinearity mitigation in WDM dual-polarization dispersion-managed systems. LDBP achieves Q-factor improvement of 1.8 dB and 1.2 dB, respectively, over linear equalization and a variant of DBP adapted to DM systems.