



Abstract:Path planning algorithms, such as the search-based A*, are a critical component of autonomous mobile robotics, enabling robots to navigate from a starting point to a destination efficiently and safely. We investigated the resilience of the A* algorithm in the face of potential adversarial interventions known as obstacle attacks. The adversary's goal is to delay the robot's timely arrival at its destination by introducing obstacles along its original path. We developed malicious software to execute the attacks and conducted experiments to assess their impact, both in simulation using TurtleBot in Gazebo and in real-world deployment with the Unitree Go1 robot. In simulation, the attacks resulted in an average delay of 36\%, with the most significant delays occurring in scenarios where the robot was forced to take substantially longer alternative paths. In real-world experiments, the delays were even more pronounced, with all attacks successfully rerouting the robot and causing measurable disruptions. These results highlight that the algorithm's robustness is not solely an attribute of its design but is significantly influenced by the operational environment. For example, in constrained environments like tunnels, the delays were maximized due to the limited availability of alternative routes.




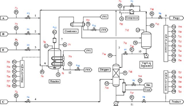
Abstract:In this paper we propose a novel methodology to assist in identifying vulnerabilities in a real-world complex heterogeneous industrial control systems (ICS) using two evolutionary multiobjective optimisation (EMO) algorithms, NSGA-II and SPEA2. Our approach is evaluated on a well known benchmark chemical plant simulator, the Tennessee Eastman (TE) process model. We identified vulnerabilities in individual components of the TE model and then made use of these to generate combinatorial attacks to damage the safety of the system, and to cause economic loss. Results were compared against random attacks, and the performance of the EMO algorithms were evaluated using hypervolume, spread and inverted generational distance (IGD) metrics. A defence against these attacks in the form of a novel intrusion detection system was developed, using a number of machine learning algorithms. Designed approach was further tested against the developed detection methods. Results demonstrate that EMO algorithms are a promising tool in the identification of the most vulnerable components of ICS, and weaknesses of any existing detection systems in place to protect the system. The proposed approach can be used by control and security engineers to design security aware control, and test the effectiveness of security mechanisms, both during design, and later during system operation.