
Abstract:An integrated software-based solution for a modular and self-independent networked robot is introduced. The wirelessly operatable robot has been developed mainly for autonomous monitoring works with full control over web. The integrated software solution covers three components : a) the digital signal processing unit for data retrieval and monitoring system; b) the externally executable codes for control system; and c) the web programming for interfacing the end-users with the robot. It is argued that this integrated software-based approach is crucial to realize a flexible, modular and low development cost mobile monitoring apparatus.




Abstract:A prototype of modular networked robot for autonomous monitoring works with full control over web through wireless connection has been developed. The robot is equipped with a particular set of built-in analyzing tools and appropriate censors, depending on its main purposes, to enable self-independent and real-time data acquisition and processing. The paper is focused on the microcontroller-based system to realize the modularity. The whole system is divided into three modules : main unit, data acquisition and data processing, while the analyzed results and all aspects of control and monitoring systems are fully accessible over an integrated web-interface. This concept leads to some unique features : enhancing flexibility due to enabling partial replacement of the modules according to user needs, easy access over web for remote users, and low development and maintenance cost due to software dominated components.




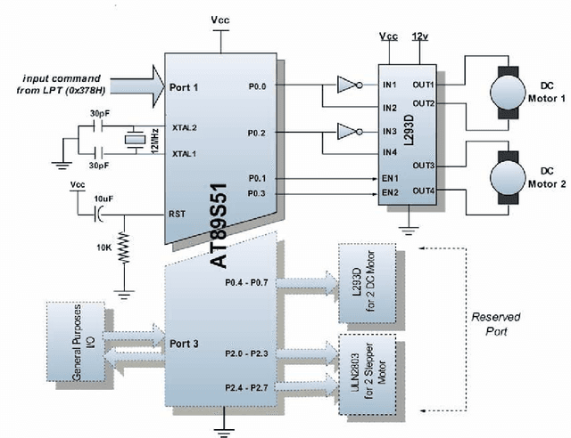
Abstract:We introduce our concept on the modular wireless robot consisting of three main modules : main unit, data acquisition and data processing modules. We have developed a generic prototype with an integrated control and monitoring system to enhance its flexibility, and to enable simple operation through a web-based interface accessible wirelessly. In present paper, we focus on the microcontroller based hardware to enable data acquisition and remote mechanical control.




Abstract:We have developed a monitoring and control system for LIPI's Public Cluster. The system consists of microcontrollers and full web-based user interfaces for daily operation. It is argued that, due to its special natures, the cluster requires fully dedicated and self developed control and monitoring system. We discuss the implementation of using parallel port and dedicated micro-controller for this purpose. We also show that integrating such systems enables an autonomous control system based on the real time monitoring, for instance an autonomous power supply control based on the actual temperature, etc.