



Abstract:In this paper, first we present a new explanation for the relation between logical circuits and artificial neural networks, logical circuits and fuzzy logic, and artificial neural networks and fuzzy inference systems. Then, based on these results, we propose a new neuro-fuzzy computing system which can effectively be implemented on the memristor-crossbar structure. One important feature of the proposed system is that its hardware can directly be trained using the Hebbian learning rule and without the need to any optimization. The system also has a very good capability to deal with huge number of input-out training data without facing problems like overtraining.




Abstract:It is now widely accepted that memristive devices are perfect candidates for the emulation of biological synapses in neuromorphic systems. This is mainly because of the fact that like the strength of synapse, memristance of the memristive device can be tuned actively (e.g., by the application of volt- age or current). In addition, it is also possible to fabricate very high density of memristive devices (comparable to the number of synapses in real biological system) through the nano-crossbar structures. However, in this paper we will show that there are some problems associated with memristive synapses (memristive devices which are playing the role of biological synapses). For example, we show that the variation rate of the memristance of memristive device depends completely on the current memristance of the device and therefore it can change significantly with time during the learning phase. This phenomenon can degrade the performance of learning methods like Spike Timing-Dependent Plasticity (STDP) and cause the corresponding neuromorphic systems to become unstable. Finally, at the end of this paper, we illustrate that using two serially connected memristive devices with different polarities as a synapse can somewhat fix the aforementioned problem.




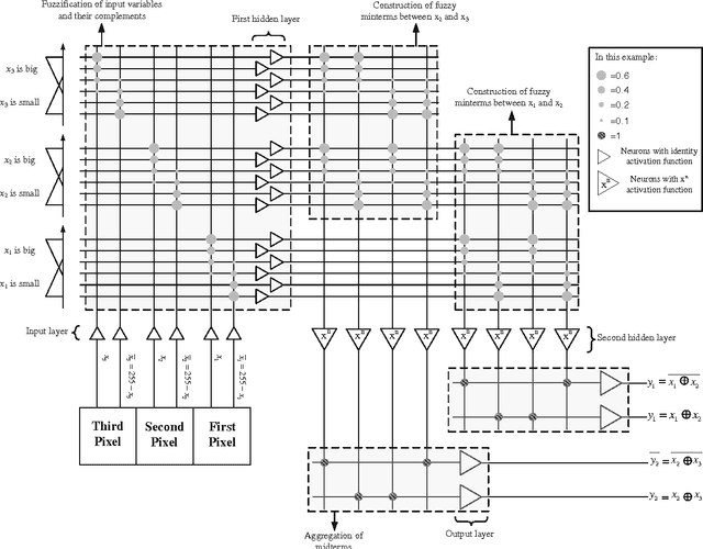
Abstract:Fuzzy inference systems always suffer from the lack of efficient structures or platforms for their hardware implementation. In this paper, we tried to overcome this problem by proposing new method for the implementation of those fuzzy inference systems which use fuzzy rule base to make inference. To achieve this goal, we have designed a multi-layer neuro-fuzzy computing system based on the memristor crossbar structure by introducing some new concepts like fuzzy minterms. Although many applications can be realized through the use of our proposed system, in this study we show how the fuzzy XOR function can be constructed and how it can be used to extract edges from grayscale images. Our memristive fuzzy edge detector (implemented in analog form) compared with other common edge detectors has this advantage that it can extract edges of any given image all at once in real-time.




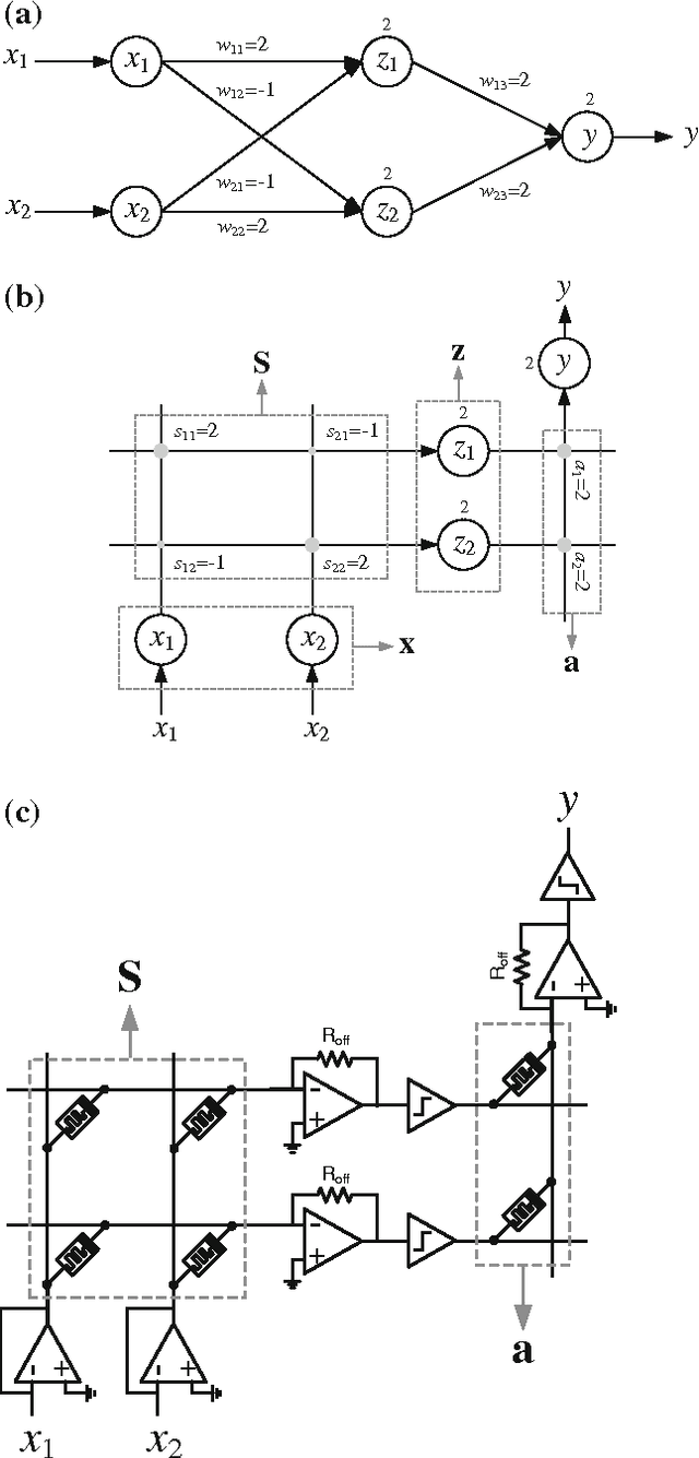
Abstract:In this paper a novel neuro-fuzzy system is proposed where its learning is based on the creation of fuzzy relations by using new implication method without utilizing any exact mathematical techniques. Then, a simple memristor crossbar-based analog circuit is designed to implement this neuro-fuzzy system which offers very interesting properties. In addition to high connectivity between neurons and being fault-tolerant, all synaptic weights in our proposed method are always non-negative and there is no need to precisely adjust them. Finally, this structure is hierarchically expandable and can compute operations in real time since it is implemented through analog circuits. Simulation results show the efficiency and applicability of our neuro-fuzzy computing system. They also indicate that this system can be a good candidate to be used for creating artificial brain.




Abstract:In May 1, 2008, researchers at Hewlett Packard (HP) announced the first physical realization of a fundamental circuit element called memristor that attracted so much interest worldwide. This newly found element can easily be combined with crossbar interconnect technology which this new structure has opened a new field in designing configurable or programmable electronic systems. These systems in return can have applications in signal processing and artificial intelligence. In this paper, based on the simple memristor crossbar structure, we propose new and simple circuits for hardware implementation of fuzzy membership functions. In our proposed circuits, these fuzzy membership functions can have any shapes and resolutions. In addition, these circuits can be used as a basis in the construction of evolutionary systems.




Abstract:Ink Drop Spread (IDS) is the engine of Active Learning Method (ALM), which is the methodology of soft computing. IDS, as a pattern-based processing unit, extracts useful information from a system subjected to modeling. In spite of its excellent potential in solving problems such as classification and modeling compared to other soft computing tools, finding its simple and fast hardware implementation is still a challenge. This paper describes a new hardware implementation of IDS method based on the memristor crossbar structure. In addition of simplicity, being completely real-time, having low latency and the ability to continue working after the occurrence of power breakdown are some of the advantages of our proposed circuit.