



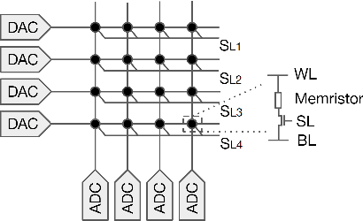
With storage and computation happening at the same place, computing in resistive crossbars minimizes data movement and avoids the memory bottleneck issue. It leads to ultra-high energy efficiency for data-intensive applications. However, defects in crossbars severely affect computing accuracy. Existing solutions, including re-training with defects and redundant designs, but they have limitations in practical implementations. In this work, we introduce row shuffling and output compensation to mitigate defects without re-training or redundant resistive crossbars. We also analyzed the coupling effects of defects and circuit parasitics. Moreover, We study different combinations of methods to achieve the best trade-off between cost and performance. Our proposed methods could rescue up to 10% of defects in ResNet-20 application without performance degradation.