



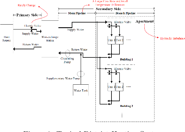
At high latitudes, many cities adopt a centralized heating system to improve the energy generation efficiency and to reduce pollution. In multi-tier systems, so-called district heating, there are a few efficient approaches for the flow rate control during the heating process. In this paper, we describe the theoretical methods to solve this problem by deep reinforcement learning and propose a cloud-based heating control system for implementation. A real-world case study shows the effectiveness and practicability of the proposed system controlled by humans, and the simulated experiments for deep reinforcement learning show about 1985.01 gigajoules of heat quantity and 42276.45 tons of water are saved per hour compared with manual control.