



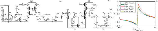
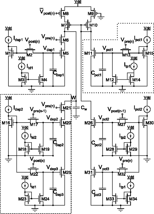
Abstract:Triplet-based Spike Timing Dependent Plasticity (TSTDP) is a powerful synaptic plasticity rule that acts beyond conventional pair-based STDP (PSTDP). Here, the TSTDP is capable of reproducing the outcomes from a variety of biological experiments, while the PSTDP rule fails to reproduce them. Additionally, it has been shown that the behaviour inherent to the spike rate-based Bienenstock-Cooper-Munro (BCM) synaptic plasticity rule can also emerge from the TSTDP rule. This paper proposes an analog implementation of the TSTDP rule. The proposed VLSI circuit has been designed using the AMS 0.35 um CMOS process and has been simulated using design kits for Synopsys and Cadence tools. Simulation results demonstrate how well the proposed circuit can alter synaptic weights according to the timing difference amongst a set of different patterns of spikes. Furthermore, the circuit is shown to give rise to a BCM-like learning rule, which is a rate-based rule. To mimic implementation environment, a 1000 run Monte Carlo (MC) analysis was conducted on the proposed circuit. The presented MC simulation analysis and the simulation result from fine-tuned circuits show that, it is possible to mitigate the effect of process variations in the proof of concept circuit, however, a practical variation aware design technique is required to promise a high circuit performance in a large scale neural network. We believe that the proposed design can play a significant role in future VLSI implementations of both spike timing and rate based neuromorphic learning systems.




Abstract:Spike-Timing Dependent Plasticity (STDP) is believed to play an important role in learning and the formation of computational function in the brain. The classical model of STDP which considers the timing between pairs of pre-synaptic and post-synaptic spikes (p-STDP) is incapable of reproducing synaptic weight changes similar to those seen in biological experiments which investigate the effect of either higher order spike trains (e.g. triplet and quadruplet of spikes), or, simultaneous effect of the rate and timing of spike pairs on synaptic plasticity. In this paper, we firstly investigate synaptic weight changes using a p-STDP circuit and show how it fails to reproduce the mentioned complex biological experiments. We then present a new STDP VLSI circuit which acts based on the timing among triplets of spikes (t-STDP) that is able to reproduce all the mentioned experimental results. We believe that our new STDP VLSI circuit improves upon previous circuits, whose learning capacity exceeds current designs due to its capability of mimicking the outcomes of biological experiments more closely; thus plays a significant role in future VLSI implementation of neuromorphic systems.