Abstract:Digital self-interference cancellation (D-SIC) plays a crucial role in in-band full-duplex radios. Unfortunately, its fundamental limit remains unclear. In this paper, we aim to address this problem by exploring the performance limit of the parallel Hammerstein (PH) canceller for D-SIC, which is most commonly used in practice. First, a comprehensive analysis of the power of the residual self-interference (RSI) after the PH canceller with the least squares (LS) estimator is provided, which takes into account the truncation error, reconstruction error and transmitter noise. Specifically, the analysis is greatly simplified by equivalently expanding the PH canceller via generalized Laguerre polynomials (GLP), which enjoys the desirable property of mutual orthogonality among the basis functions. As a by-product of this orthogonal expansion, we establish that the LS estimator for the weights of the GLP canceller is asymptotically \textit{unbiased}, if the pilot sequence is Gaussian distributed. Second, in order to minimize the reconstruction error of the PH canceller, we propose a succinct criterion for optimizing the pilot sequence, which essentially seeks for small eigenvalue spread and large minimum eigenvalue of the Gram matrix corresponding to the pilot sequence. Specifically, the criterion is to minimize the product of the Shannon rank, an effective rank of a positive semidefinite matrix and the minimum eigenvalue of the Gram matrix. Simulation results demonstrate that with the optimized pilot sequence of a single OFDM symbol, over 10 dB gain can be achieved compared to the conventional pilot sequence (HE-LTF) for the PH canceller, and the corresponding RSI can be as low as -87.6 dBm.




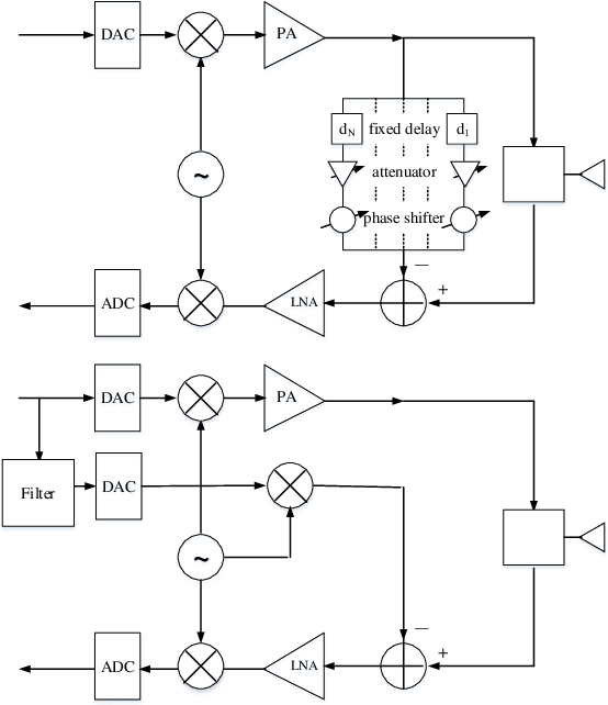
Abstract:Analog self-interference cancellation (A-SIC) plays a crucial role in the implementation of in-band full-duplex (IBFD) radios, due to the fact that the inherent transmit (Tx) noise can only be addressed in the analog domain. It is thus natural to ask what the performance limit of A-SIC is in practical systems, which is still quite underexplored so far. In this paper, we aim to close this gap by characterizing the fundamental performance of A-SIC which employs the common multi-tap delay (MTD) architecture, by accounting for the following practical issues: 1) Nonstationarity of the Tx signal; 2) Nonlinear distortions on the Tx signal; 3) Multipath channel corresponding to the self-interference (SI); 4) Maximum amplitude constraint on the MTD tap weights. Our findings include: 1) The average approximation error for the cyclostationary Tx signals is equal to that for the stationary white Gaussian process, thus greatly simplifying the performance analysis and the optimization procedure. 2) The approximation error for the multipath SI channel can be decomposed as the sum of the approximation error for the single-path scenario. By leveraging these structural results, the optimization framework and algorithms which characterize the fundamental limit of A-SIC, by taking into account all the aforementioned practical factors, are provided.