



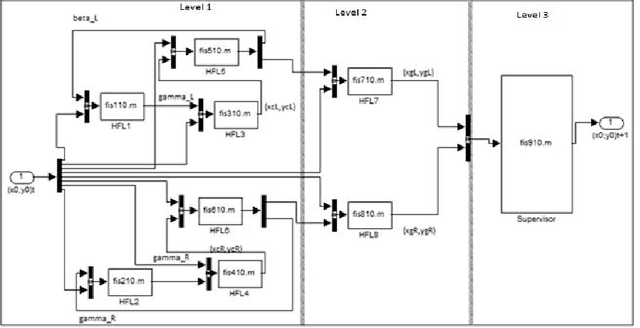
Abstract:In this paper the investigation is placed on the hierarchic neuro-fuzzy systems as a possible solution for biped control. An hierarchic controller for biped is presented, it includes several sub-controllers and the whole structure is generated using the adaptive Neuro-fuzzy method. The proposed hierarchic system focus on the key role that the centre of mass position plays in biped robotics, the system sub-controllers generate their outputs taken into consideration the position of that key point.




Abstract:In this paper we propose a robust approach for text extraction and recognition from video clips which is called Neuro-Fuzzy system for Arabic Video OCR. In Arabic video text recognition, a number of noise components provide the text relatively more complicated to separate from the background. Further, the characters can be moving or presented in a diversity of colors, sizes and fonts that are not uniform. Added to this, is the fact that the background is usually moving making text extraction a more intricate process. Video include two kinds of text, scene text and artificial text. Scene text is usually text that becomes part of the scene itself as it is recorded at the time of filming the scene. But artificial text is produced separately and away from the scene and is laid over it at a later stage or during the post processing time. The emergence of artificial text is consequently vigilantly directed. This type of text carries with it important information that helps in video referencing, indexing and retrieval.