



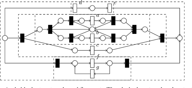
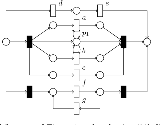
Process models are used by human analysts to model and analyse behaviour, and by machines to verify properties such as soundness, liveness or other reachability properties, and to compare their expressed behaviour with recorded behaviour within business processes of organisations. For both human and machine use, small models are preferable over large and complex models: for ease of human understanding and to reduce the time spent by machines in state space explorations. Reduction rules that preserve the behaviour of models have been defined for Petri nets, however in this paper we show that a subclass of Petri nets returned by process discovery techniques, that is, block-structured workflow nets, can be further reduced by considering their block structure in process trees. We revisit an existing set of reduction rules for process trees and show that the rules are correct, terminating, confluent and complete, and for which classes of process trees they are and are not complete. In a real-life experiment, we show that these rules can reduce process models discovered from real-life event logs further compared with rules that consider only Petri net structures.