



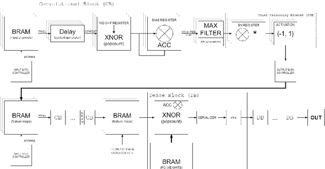
Deep learning algorithms are a key component of many state-of-the-art vision systems, especially as Convolutional Neural Networks (CNN) outperform most solutions in the sense of accuracy. To apply such algorithms in real-time applications, one has to address the challenges of memory and computational complexity. To deal with the first issue, we use networks with reduced precision, specifically a binary neural network (also known as XNOR). To satisfy the computational requirements, we propose to use highly parallel and low-power FPGA devices. In this work, we explore the possibility of accelerating XNOR networks for traffic sign classification. The trained binary networks are implemented on the ZCU 104 development board, equipped with a Zynq UltraScale+ MPSoC device using two different approaches. Firstly, we propose a custom HDL accelerator for XNOR networks, which enables the inference with almost 450 fps. Even better results are obtained with the second method - the Xilinx FINN accelerator - enabling to process input images with around 550 frame rate. Both approaches provide over 96% accuracy on the test set.